X
2026-04-27 发布人:安立静
本项目涉及5台专用设备的公路、铁路运输。
设备分布与参数:底部均为2×2米的专用设备,分别置于2×2米的钢结构上(上置防滑垫),钢结构高度可根据设计调整。
重型设备:2台,高度1.4米,重3500Kg
轻型设备:2台,高度1.7米,重1000Kg
中型设备:1台,高度1米,重1500Kg
关键力值参数:
加速度限制:所承受的x、y、z轴向加速度不大于1.5g
振幅限制:横向、纵向振幅小于20mm
设计依据:鉴于客户无法提供具体的峰值加速度数据,需依据安立静工程经验及行业标准进行保守估算与选型。
【选型分析】
针对车载移动场景及上述工况,安立静减振技术有限公司推荐采用钢丝绳减振器。
按照经验峰值加速度,并通过《钢丝绳减振选型计算表》精密计算,快速得出符合条件的减振器:
3500Kg的设备选型为:ALJ-8110159型钢丝绳减振器
1000Kg的设备选型为:ALJ-818137型钢丝绳减振器
1500Kg的设备选型为:ALJ-819135型钢丝绳减振器
【产品优势】
l 低频隔振性能佳:
钢丝绳减振器为304不锈钢材质,每股钢丝绳由7小股、每小股19根钢丝捻制而成。钢丝在振动中产生相对滑移与摩擦,形成天然阻尼,能够快速耗散振动能力。
l 抗冲击性能卓越:
具备大变形能力与高承载强度,能提供可靠的弹性支撑,防止硬性碰撞损坏设备。
l 全场景适配能力:
安立静减振技术有限公司的钢丝绳减振器型号齐全,单支载荷范围极广(1kg~2000Kg),满足各类移动场景减振需求。无论是精密仪器还是重型机械,均能找到匹配的减振解决方案。
【产品信息】

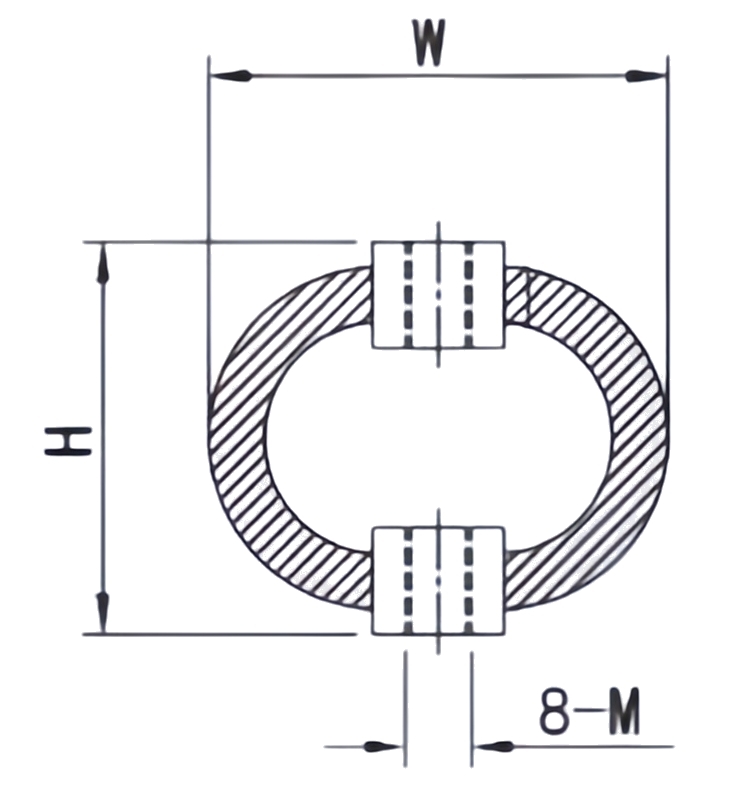
ALJ-8110159型钢丝绳减振器的关键尺寸
长度 (L) | 孔距 (A) | 孔距 (B) | 安装孔-8个 (M) | 高度 (H) | 宽度 (W) |
368mm | 267mm | 114mm | 12mm | 159mm | 178mm |
ALJ-818137型钢丝绳减振器的关键尺寸
长度 (L) | 孔距 (A) | 孔距 (B) | 安装孔-8个 (M) | 高度 (H) | 宽度 (W) |
216mm | 156mm | 66.5mm | 8mm | 137mm | 156mm |
ALJ-819135型钢丝绳减振器的关键尺寸
长度 (L) | 孔距 (A) | 孔距 (B) | 安装孔-8个 (M) | 高度 (H) | 宽度 (W) |
267mm | 191mm | 82mm | 10mm | 135mm | 178mm |
如果您也有相关的振动难题,赶紧联系安立静吧!
更多内容可查看安立静公司的官方网址:
http://www.anlijing.cn
http://www.anlijing.com
安立静减振技术有限公司
专注机电设备振动噪声治理,以数据驱动精准选型,为您提供检测、设计、选型的一站式服务。上一篇: 安立静减振技术有限公司船载机柜的减振案例
下一篇: 没有了
安立静公司的钢丝绳减振缓冲应用计算实例
2026-04-27
安立静减振技术有限公司船载机柜的减振案例
2026-04-23
安立静减振技术有限公司的减振台座(惰性块)技术指南
2026-04-21
屋顶风冷热泵与循环水泵减振解决方案
2026-04-18
ALJ-50减振器解决CT扫描机架低频振动与楼板传声
2026-04-14
小型三次元测量仪被动隔振解决方案
2026-04-13
自建厂房纺织机低频振动治理方案:安立静ALJ-46F复合隔振系统应用
2026-04-04
如何解决精密晶体电梯启停冲击难题
2026-03-27
车载发电机组振动噪声控制方案
2026-03-27
楼顶风机振动致楼下办公桌抖动?原厂家失联如何救场?安立静大挠度弹簧方案一次根治!
2026-03-20
安立静定制;家用增压泵高效隔振系统
2026-03-20
显微镜、电子仪器、光学检测设备隔振
材质:防振橡胶、铝外壳 特点:一体成型气密性佳,自振频率低至3Hz ...
查看详情
摄影设备、航拍设备、通信装置、 电子传感设备、移动式电子仪器、监控摄影机等隔振缓冲
材质:304不锈钢 特点:质量轻、安装方便、减振效果好 适用范围:...
查看详情
车载拍摄、航空摄影、通信 装置、电子传感设备、移动式电子 仪器、监控摄影机、摇臂等设备隔振缓冲
材质:上下板采用6061航空铝材质 特点:防抖防振、稳定性强 载荷...
查看详情
适用于各种精密仪器、仪表无线电设备
材质:316不锈钢 特点:抗冲击力强,变刚度特性,工作频率范围宽 载...
查看详情
航空、航天、舰船或车载的各种 精密仪器仪表的隔振和缓冲
材质:304不锈钢 特点:低频,大阻尼,轴径向刚度近似相等,有较强的...
查看详情